一种梗丝中掺配块状梗丝的分选松散装置及方法与流程

本发明涉及烟草制丝设备/工艺,具体涉及一种梗丝中掺配块状梗丝的分选松散装置及方法。
背景技术:
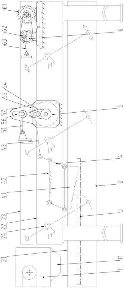
1、现有烟草制丝生产的工艺流程是根据烟叶原料的理化特性,按照一定的程序逐步通过各种加工方法或设备,把原料制成合格烟丝所必须经过的加工制造过程。制丝生产工艺流程根据生产产品的类型、产品的等级和规格、使用设备的性能、采用烟叶原料的初加工程度等方面因素的不同而不同。梗丝线采用水洗梗、梗丝加料、加香等新的生产技术,并且梗丝采用只分等级,不分牌号的生产方法,便于卷烟厂根据不同类别、牌号的卷烟,掺配使用不同等级和比例的梗丝。梗丝线根据生产设备生产能力与产品牌号掺配量,常按一定重量的批次投料生产,成品梗丝输送到梗丝柜存储,分段对多批次牌号进行掺配。梗丝柜存储梗丝高度通常为1200mm,梗丝油性重、黏性增大,存储时间过长时,底板梗丝受压易发生粘结成块状梗丝。
2、梗丝作为配方中的一种组分或小配方,在加香前按设定比例进行掺配,从梗丝柜存储出料至梗丝掺配皮带秤,掺配工艺线没有设置块状梗丝剔除或松散设备,块状梗丝虽经卷烟机上松散处理,仍不免会处理不完全,造成卷制烟支内掺配梗丝的分布不均,产生吸食口味差异,影响产品质量的一致性。
技术实现思路
1、本发明的目的是克服现有技术中存在的不足,提供一种梗丝中掺配块状梗丝的分选松散装置及方法,本发明采用一、二、三分级传动连杆铰接传动,传动链短,动能消耗小,机构结构精简;通过设置摇杆曲柄机构,采用二级传动连杆铰接链接,将平衡体高振频的急振往复摆动输入转化为断续的曲柄圆周旋转输出,转速无级可调;通过设置松散机构,采用三级传动连杆铰接链接,将摇杆曲柄机构输出曲柄圆周旋转运动转化为输出为左右、上下平行往复摆动,摆动幅度无级可调;通过设置分选网格将块状梗丝分选出来进行松散,工作过程将结块梗丝分选、揉搓松散,确保松散效果的同时,满足过程造碎率低的要求。
2、为了实现上述目的,本发明采用的技术方案为:
3、一种梗丝中掺配块状梗丝的分选松散装置,其包括掺配皮带秤(1)、振动输送机(2)、分选网格(3)、松散机构(4)、摇杆曲柄机构(5)、传动总成(6),掺配皮带秤的出料口连接振动输送机,振动输送机包括槽体(21)、机架(22)、平衡体(23)、摇杆组件(24),槽体通过多个摇杆组件挂设在机架的下部,平衡体通过多个摇杆组件支撑在机架的上部,摇杆组件的下部与槽体铰接,上部与平衡体铰接,中部与机架铰接,传动总成推动平衡体运动,再由平衡体通过摇杆组件联动槽体作与平衡体同步反向的近似简谐振动,梗丝物料便在槽体内沿输送方向作连续抛掷向前移动;其特征在于:分选网格水平安装在振动输送机的槽体的前段内,分选网格与上部的松散机构的松散搓板(41)配合动作,松散机构由摇杆曲柄机构带动,摇杆曲柄机构由平衡体驱动而运动。
4、进一步地,所述摇杆曲柄机构(5)包括二级传动连杆(51)、输入曲柄(52)、轴承箱(53)、输出曲柄(54)、超越离合器(55)、腰形槽(56),轴承箱通过支架安装在机架上,轴承箱的中心转轴两侧分别安装有输入曲柄、输出曲柄,二级传动连杆一端与平衡体铰接,另一端铰接连接于输入曲柄的腰形槽内的连接轴上,该连接轴在腰形槽内的位置可调节,随着平衡体急振运动做往复摇摆运动,输入曲柄再通过超越离合器与轴承箱的中心转轴配合装配,通过超越离合器的作用,将其往复摇摆运动转化中心转轴作旋转运动,从而驱动输出曲柄作断续圆周旋转运动。
5、进一步地,所述松散机构(4)包括松散搓板(41)、平行四边形连杆机构(42)、三级传动连杆(43),平行四边形连杆机构的支撑架安装吊挂在振动输送机的机架的两侧上,松散搓板设置于平行四边形连杆机构的下端,松散搓板的下边缘与分选网格配合动作,松散搓板的下边缘设置有波浪状结构,平行四边形连杆机构的摇杆与三级传动连杆铰接,三级传动连杆另一端通过铰接的偏心轴可调节的连接于输出曲柄的腰形槽内,形成曲柄摇杆运动机构,传动松散搓板作左右、上下平行往复摆动运动。
6、进一步地,所述分选网格(3)水平安装在振动输送机的槽体的前段内,分选网格与上部的松散机构的松散搓板(41)配合动作,工作时,分选网格随槽体作近似简谐振动,将从掺配皮带秤输送落下的掺配梗丝进行分选,松散的梗丝穿过分选网格落入槽体的底板上,并向前输送;而结成块状梗丝在分选网格表面向前输送,再通过松散机构的松散搓板过程中,在松散搓板作上下、左右平行往复摆动的揉搓力作用下,被揉搓松散穿过分选网格落入槽体的底板上并向前输送,达到块状梗丝分选松散目的。
7、进一步地,所述传动总成(6)包括电机(61)、偏心机构(62)、一级传动连杆(63),电机通过第一皮带轮、v形皮带与偏心机构的第二皮带轮传动连接,偏心机构上设置有偏心轴,偏心轴与一级传动连杆铰接,一级传动连杆另一端与平衡体铰接,带动平衡体作往复运动。
8、进一步地,所述分选网格(3)使用3-6mm不锈钢线材制作,网格间距20-40mm;松散机构的松散搓板(41)使用厚1-3mm不锈钢板材料制作,前端倾斜一定坡度,下边缘呈波浪形结构,多个松散搓板平行排列设置,间距与分选网格相匹配;平行四边形连杆机构具有模仿人手柔性搓散动作特点,作上下、左右平行往复摆动,松散梗丝过程的造碎率低。
9、一种梗丝中掺配块状梗丝的分选松散装置的操作方法,其包括如下步骤:
10、步骤s1:通过一级传动连杆(63)将传动总成与平衡体(23)铰接,偏心机构(62)将电机的旋转运动转化为驱动平衡体作近似急振往复运动;同时,平衡体通过摇杆组件联动槽体(21)作同步反向的近似简谐振动,振动槽体内的梗丝物料向前输送;
11、步骤s2:通过二级传动连杆(51)将摇杆曲柄机构与平衡体铰接,平衡体作振往复摆动运动,并通过输入曲柄(52)将其转化为驱动输出曲柄(54)作旋转转动;
12、步骤s3:通过三级传动连杆(43)将松散机构与摇杆曲柄机构的输出曲柄(54)铰接,转化为驱动平行四边形连杆机构(42)作上下、左右平行往复摆动运动;
13、步骤s4:分选网格(3)水平设置在振动输送机的槽体的前段内,并随槽体作近似简谐振动;
14、步骤s5:工作时,掺配梗丝从掺配皮带秤(1)的出料口输送下落,松散状梗丝穿过分选网格落入槽体的底板上,并向前输送;结成块状梗丝在分选网格表面向前输送,通过松散机构的松散搓板(41)相互运动配合过程中,在松散搓板上下、左右平行往复摆动动作的揉搓力作用下,被松散并穿过分选网格落入槽体的底板上,并向前输送,完成块状梗丝分选松散过程。
15、本发明的一种梗丝中掺配块状梗丝的分选松散装置及方法,其具有如下有益技术效果:
16、(1)本发明采用一、二、三分级传动连杆铰接传动,传动链短,动能消耗小,机构结构精简;通过设置摇杆曲柄机构,采用二级传动连杆铰接链接,将平衡体高振频的急振往复摆动输入转化为断续的曲柄圆周旋转输出,转速无级可调;通过设置松散机构,采用三级传动连杆铰接链接,将摇杆曲柄机构输出曲柄圆周旋转运动转化为输出为左右、上下平行往复摆动,摆动幅度无级可调;通过设置分选网格将块状梗丝分选出来进行松散,工作过程将结块梗丝分选、揉搓松散,确保松散效果的同时,满足过程造碎率低的要求。
17、(2)本发明在保持设备原有系统构造、功能的情况下,采用设备现场运动机构为驱动动力,无需设置动力源及控制系统,经济节能;采用主体机构装载在振动输送机机架上,只设分选网格在振动输送机的槽体内,分选网格不锈钢线材制作,质量小,不影响设备原有系统运行平衡。
技术研发人员:赖春茂,周群华,肖斌,黄敬贵,钟智敏,夏后海,封建兵,谭祖辉
技术所有人:江西中烟工业有限责任公司
备 注:该技术已申请专利,仅供学习研究,如用于商业用途,请联系技术所有人。
声 明 :此信息收集于网络,如果你是此专利的发明人不想本网站收录此信息请联系我们,我们会在第一时间删除
